|
|
|
Productos
|
|
Información
|
|
Destacado
|
|
|
No hay comentarios de productos.
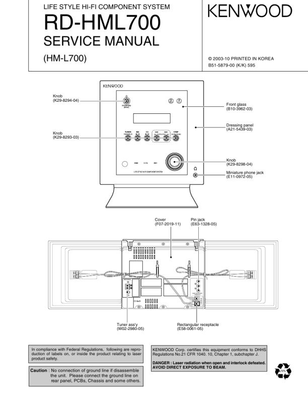
LIFE STYLE HI-FI COMPONENT SYSTEM
RD-HML700
SERVICE MANUAL
(HM-L700)
© 2003-10 PRINTED IN KOREA B51-5879-00 (K/K) 595
Knob (K29-8294-04) Front glass (B10-3962-03)
Dressing panel (A21-5439-03) Knob (K29-8293-03)
Knob (K29-8298-04) Miniature phone jack (E11-0972-05)
Cover (F07-2019-11)
Pin jack (E63-1328-05)
ANTENNA
SUB WOOFER PREOUT SPEAKER
Tuner ass'y (W02-2980-05)
Rectangular receptacle (E58-0061-05)
In compliance with Federal Regulations, following are reproduction of labels on, or inside the product relating to laser product safety.
KENWOOD Corp. certifies this equipment conforms to DHHS Regulations No.21 CFR 1040. 10, Chapter 1, subchapter J. DANGER : Laser radiation when open and interlock defeated. AVOID DIRECT EXPOSURE TO BEAM.
Caution : No connection of ground line if disassemble the unit. Please connect the ground line on rear panel, PCBs, Chassis and some others.
70%
|
|
 |
> |
|